2020년 전기기사 1, 2회차 76번 - 기출문제 및 해설
문제 1
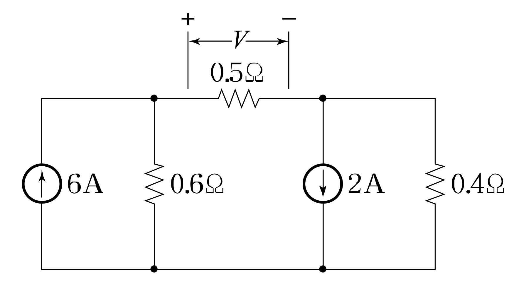
회로에서
0.5
Ω
0.5Ω
0.5Ω
양단 전압
(
V
)
(V)
(
V
)
은 약 몇
V
V
V
인가?
1.
0.6
0.6
0.6
2.
0.93
0.93
0.93
3.
1.47
1.47
1.47
4.
1.5
1.5
1.5
💡 로그인하면 학습 진행률이 자동으로 저장되고, 북마크와 오답노트를 사용할 수 있습니다.
이전
다음