2023년 전기기사 3회차 67번 - 기출문제 및 해설
문제 1
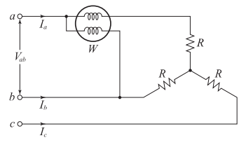
선간 전압이
V
a
b
[
V
]
V_{ab}\rm[V]
V
ab
[
V
]
인
3
3
3
상 평형 전원에 대칭부하
R
[
Ω
]
R[\Omega]
R
[
Ω
]
이 그림과 같이 접속되어 있을 때,
a
a
a
,
b
b
b
두 상 간에 접속된 전력계의 지시값이
W
[
W
]
W\rm[W]
W
[
W
]
라면
C
C
C
상 전류의 크기
[
A
]
\rm[A]
[
A
]
는?
1.
W
3
V
a
b
\dfrac W{3V_{ab}}
3
V
ab
W
2.
2
W
3
V
a
b
\dfrac{2W}
{3V_{ab}}
3
V
ab
2
W
3.
2
W
3
V
a
b
\dfrac{2W}
{\sqrt3\ V_{ab}}
3
V
ab
2
W
4.
3
W
V
a
b
\dfrac{\sqrt3\ W}
{V_{ab}}
V
ab
3
W
💡 로그인하면 학습 진행률이 자동으로 저장되고, 북마크와 오답노트를 사용할 수 있습니다.
이전
다음