2024년 전기기사 2회차 46번 - 기출문제 및 해설
문제 1
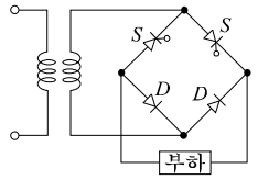
그림과 같은 단상브리지 정류회로(혼합브리지)에서 직류 평균전압[V]은?
1.
2
2
E
π
(
1
+
c
o
s
α
2
)
\frac{2\sqrt{2}
E}{\pi }\left (
\frac{1+cos\alpha }
{2} \right )
π
2
2
E
(
2
1
+
cos
α
)
2.
2
E
π
(
1
+
c
o
s
α
2
)
\frac{\sqrt{2E}
}{\pi }\left (
\frac{1+cos\alpha }
{2} \right )
π
2
E
(
2
1
+
cos
α
)
3.
2
2
E
π
(
1
−
c
o
s
α
2
)
\frac{2\sqrt{2}
E}{\pi }\left (
\frac{1-cos\alpha }
{2} \right )
π
2
2
E
(
2
1
−
cos
α
)
4.
2
E
π
(
1
−
c
o
s
α
2
)
\frac{\sqrt{2E}
}{\pi }\left (
\frac{1-cos\alpha }
{2} \right )
π
2
E
(
2
1
−
cos
α
)
💡 로그인하면 학습 진행률이 자동으로 저장되고, 북마크와 오답노트를 사용할 수 있습니다.
이전
다음