2025년 전기기사 1회차 57번 - 기출문제 및 해설
문제 1
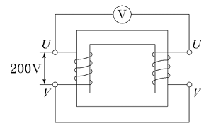
210/105[V]의 변압기를 그림과 같이 결선하고 고압측에 200[V]의 전압을 가하면 전압계의 지시는 몇 [V]인가? (단, 변압기는 가극성이다.)
1.
100
2.
200
3.
300
4.
400
💡 로그인하면 학습 진행률이 자동으로 저장되고, 북마크와 오답노트를 사용할 수 있습니다.
이전
다음