2016년 토목기사 1회차 96번 - 기출문제 및 해설
문제 1
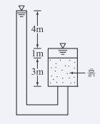
다음 그림에서 흙의 저면에 작용하는 단위면적당 침투수압은?
1.
8
t
/
m
2
8t/m^2
8
t
/
m
2
2.
5
t
/
m
2
5t/m^2
5
t
/
m
2
3.
4
t
/
m
2
4t/m^2
4
t
/
m
2
4.
3
t
/
m
2
3t/m^2
3
t
/
m
2
💡 로그인하면 학습 진행률이 자동으로 저장되고, 북마크와 오답노트를 사용할 수 있습니다.
이전
다음