2016년 토목기사 1회차 80번 - 기출문제 및 해설
문제 1
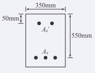
그림과 같은 복철근 직사각형 보에서 공칭모멘트 강도(
M
n
M_n
M
n
)는? (단,
f
c
k
=
24
M
P
a
,
f
y
=
350
M
P
a
,
A
s
=
5
,
730
m
m
2
,
A
s
′
=
1
,
980
m
m
2
f_{ck}=24MPa, f_y=350MPa, A_s=5,730mm^2, A_s'=1,980mm^2
f
c
k
=
24
MP
a
,
f
y
=
350
MP
a
,
A
s
=
5
,
730
m
m
2
,
A
s
′
=
1
,
980
m
m
2
)
1.
947.7
k
N
⋅
m
947.7kN\cdot m
947.7
k
N
⋅
m
2.
886.5
k
N
⋅
t
m
886.5kN\cdot tm
886.5
k
N
⋅
t
m
3.
805.6
k
N
⋅
m
805.6kN\cdot m
805.6
k
N
⋅
m
4.
725.3
k
N
⋅
m
725.3kN\cdot m
725.3
k
N
⋅
m
💡 로그인하면 학습 진행률이 자동으로 저장되고, 북마크와 오답노트를 사용할 수 있습니다.
이전
다음