2016년 토목기사 1회차 47번 - 기출문제 및 해설
문제 1
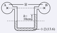
그림과 같은 액주계에서 수은면의 차가 10cm이었다면 A, B점의 수압차는? (단, 수은의 비중=13.6, 무게 1kg=9.8N)
1.
133.5kPa
2.
123.5kPa
3.
13.35kPa
4.
12.35kPa
💡 로그인하면 학습 진행률이 자동으로 저장되고, 북마크와 오답노트를 사용할 수 있습니다.
이전
다음