2021년 토목기사 1회차 98번 - 기출문제 및 해설
문제 1
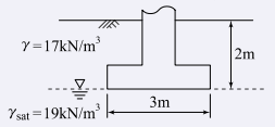
흙의 내부마찰각이 20°, 점착력이 50kN/m², 습윤단위중량이 17kN/m³, 지하수위 아래 흙의 포화단위중량이 19kN/m³일 때 3m×3m 크기의 정사각형 기초의 극한지지력을 Terzaghi의 공식으로 구하면? (단, 지하수위는 기초바닥 깊이와 같으며 물의 단위중량은 9.81kN/m³이고, 지지력계수
N
c
=
18
,
N
γ
=
5
,
N
q
=
7.5
N_c=18, N_\gamma =5, N_q=7.5
N
c
=
18
,
N
γ
=
5
,
N
q
=
7.5
이다.)
1.
1,231.24 kN/m²
2.
1,337.31 kN/m²
3.
1,480.14 kN/m²
4.
1,540.42 kN/m²
💡 로그인하면 학습 진행률이 자동으로 저장되고, 북마크와 오답노트를 사용할 수 있습니다.
이전
다음