2021년 토목기사 1회차 64번 - 기출문제 및 해설

문제 1

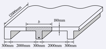
아래 그림과 같은 철근콘크리트 보-슬래브 구조에서 대칭 T형보의 유효폭(bb)은?