문제 1
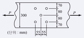
아래 그림과 같은 인장재의 순단면적은 약 얼마인가? (단, 구멍의 지름은 25mm이고, 강판두께는 10mm이다.)
1.
2,323mm²
2.
2,439mm²
3.
2,500mm²
4.
2,595mm²
💡 로그인하면 학습 진행률이 자동으로 저장되고, 북마크와 오답노트를 사용할 수 있습니다.
이전
다음