2021년 토목기사 1회차 59번 - 기출문제 및 해설
문제 1
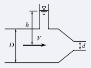
그림과 같은 노즐에서 유량을 구하기 위한 식으로 옳은 것은? (단, 유량계수는 1.0으로 가정한다.)
1.
π
d
2
4
2
g
h
\frac{\pi d^2}
{4}
2
g
h
\sqrt{2gh}
2
g
h
4
π
d
2
2
g
h
2.
π
d
2
4
2
g
h
1
−
(
d
D
)
4
\frac{\pi d^2}
{4}
\sqrt{\frac{2gh}
{1-\left (
\frac{d}
{D} \right )^4}}
4
π
d
2
1
−
(
D
d
)
4
2
g
h
3.
π
d
2
4
2
g
h
1
−
(
d
D
)
2
\frac{\pi d^2}
{4}
\sqrt{\frac{2gh}
{1-\left (
\frac{d}
{D} \right )^2}}
4
π
d
2
1
−
(
D
d
)
2
2
g
h
4.
π
d
2
4
2
g
h
1
+
(
d
D
)
2
\frac{\pi d^2}
{4}
\sqrt{\frac{2gh}
{1+\left (
\frac{d}
{D} \right )^2}}
4
π
d
2
1
+
(
D
d
)
2
2
g
h
💡 로그인하면 학습 진행률이 자동으로 저장되고, 북마크와 오답노트를 사용할 수 있습니다.
이전
다음