문제 1
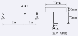
그림과 같이 하중을 받는 단순보에 발생하는 최대전단응력은?
1.
1.48MPa
2.
2.48MPa
3.
3.48MPa
4.
4.48MPa
💡 로그인하면 학습 진행률이 자동으로 저장되고, 북마크와 오답노트를 사용할 수 있습니다.
이전
다음