2021년 토목기사 1회차 1번 - 기출문제 및 해설

문제 1

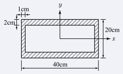
그림과 같이 X, Y축에 대칭인 빗금 친 단면에 비틀림우력 50kN·m가 작용할 때 최대전단응력은?