2016년 토목기사 4회차 74번 - 기출문제 및 해설
문제 1
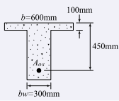
주어진 T형 단면에서 전단에 대해 위험단면에서
V
u
d
/
M
u
=
0.28
V_ud/M_u=0.28
V
u
d
/
M
u
=
0.28
이었다. 휨철근 인장강도의 40% 이상의 유효, 프리스트레스트 힘이 작용할 때 콘크리트의 공칭전단강도(
V
c
V_c
V
c
)는 얼마인가? (
단
,
f
c
k
=
45
M
P
a
,
V
u
:
계수전단력
,
M
u
:
계수휨모멘트
,
d
단, f_{ck}=45MPa, V_u : 계수전단력, M_u : 계수휨모멘트, d
단
,
f
c
k
=
45
MP
a
,
V
u
:
계수전단력
,
M
u
:
계수휨모멘트
,
d
: 압축측 표면에서 긴장재 도심까지의 거리)
1.
185.7kN
2.
230.5kN
3.
321.7kN
4.
462.7kN
💡 로그인하면 학습 진행률이 자동으로 저장되고, 북마크와 오답노트를 사용할 수 있습니다.
이전
다음