2016년 토목기사 4회차 61번 - 기출문제 및 해설
문제 1
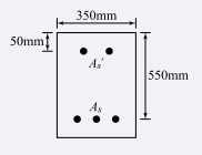
그림과 같은 복철근 직사각형 단면에서 응력 사각형의 깊이 a의 값은 얼마인가? (단,
f
c
k
=
24
M
P
a
,
f
y
=
350
M
P
a
,
A
s
=
5
,
730
m
m
3
,
A
s
′
=
1
,
980
m
m
2
f_{ck}=24MPa, f_y=350MPa, A_s=5,730mm^3, A_s'=1,980mm^2
f
c
k
=
24
MP
a
,
f
y
=
350
MP
a
,
A
s
=
5
,
730
m
m
3
,
A
s
′
=
1
,
980
m
m
2
)
1.
227.2mm
2.
199.6mm
3.
217.4mm
4.
183.8mm
💡 로그인하면 학습 진행률이 자동으로 저장되고, 북마크와 오답노트를 사용할 수 있습니다.
이전
다음