2016년 토목기사 4회차 15번 - 기출문제 및 해설

문제 1

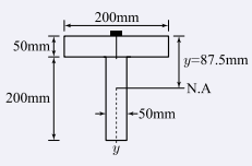
그림과 같이 두 개의 나무판이 못으로 조립된 TT형보에서 단면에 작용하는 전단력(VV)이 155kg이고 한 개의 못이 전단력 70kg을 전달할 경우 못의 허용 최대 간격은 약 얼마인가? (단, I=11354.0cm4I=11354.0cm^4)