2016년 토목기사 4회차 6번 - 기출문제 및 해설
문제 1
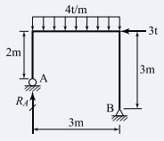
아래 그림과 같은 라멘구조물에서 A점의 반력
R
A
R_A
R
A
는?
1.
3t
2.
4.5t
3.
6t
4.
9t
💡 로그인하면 학습 진행률이 자동으로 저장되고, 북마크와 오답노트를 사용할 수 있습니다.
이전
다음